1. Van giảm áp là gì?
Van giảm áp (Tiếng Anh là Pressure reducing valve – PRV) hay còn được gọi là van điều áp là một van áp suất có tác dụng giữ cho áp suất đầu ra của van cố định ở một giá trị được cài đặt sẵn (giá trị này thấp hơn áp suất đầu vào). Điểm khác nhau cơ bản giữa van giảm áp và các loại van áp suất đầu vào (van xả tràn, van an toàn) đó là việc thiết lập áp suất ở đầu ra của van.

Van giảm áp có 2 dạng: Van giảm áp tác động trực tiếp và van giảm áp tác động gián tiếp. Có thể nói, van giảm áp là loại van an toàn theo áp suất làm việc của hệ thống vì có thể tự động Đóng/Mở, thường được lắp đặt trong hệ thống để bảo vệ an toàn cho đường ống, thiết bị hoặc một hệ thống ống khép kín.
Khi thiết bị hoặc áp lực của ống vượt quá mức áp suất cho phép thì van sẽ tự động Mở để đảm bảo cho thiết bị và áp lực trong đường ống được cân bằng, bảo vệ thiết bị, đường ống ngăn ngừa tai nạn xảy ra trong quá trình vận hành.
2. Cấu tạo van giảm áp lực
Van giảm áp có cấu tạo gồm:
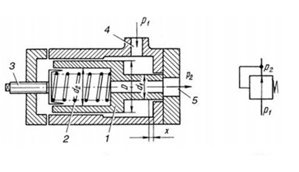
2.1. Dạng áp suất đầu vào và đầu ra của van

Gồm có: pistong, lò xo, vít xoay chiều, cửa van, thân van, ống dẫn áp suất.
*Lò xo điều chỉnh áp lực áp lên ống trượt (2)
*Vít điều chỉnh áp lực (3) đặt đè trên lò xo điều chỉnh áp
*Cửa vào (4) nối với ống dẫn áp suất cao.
*Cửa ra (5) nối với ống dẫn áp suất thấp
*Áp suất cửa vào (P1)
*Áp suất cửa ra (P2)
Nguyên lý hoạt động:
Phần tử điều khiển dạng ống trượt (1) ép vào đế bởi lò xo (2). Lò xo (2) được điều chỉnh lực ép bởi vít xoay điều chỉnh áp lực (3).
Cửa (4) của vỏ van nối với ống dẫn áp suất cao, cửa (5) được nối với ống dẫn áp suất thấp.
Vị trí ban đầu của van là vị trí bị ép vào đế đỡ, cửa vào và cửa ra không được thông nhau. Khi tăng áp suất ở cửa vào (P1) càng lớn thì tiết diện thông nhau giữa 2 cửa càng lớn và áp suất cửa ra (P2) càng lớn.
2.2. Dạng ổn áp
Đối với dạng van giảm áp này giữ cố định áp suất ở cửa ra của van mà không phụ thuộc vào các yếu tố như độ biến động áp suất của dòng lưu chất khi đến hoặc đi qua van. Van dạng ổn áp được chia làm 2 loại nhỏ là van tác động trực tiếp và van tác động gián tiếp.
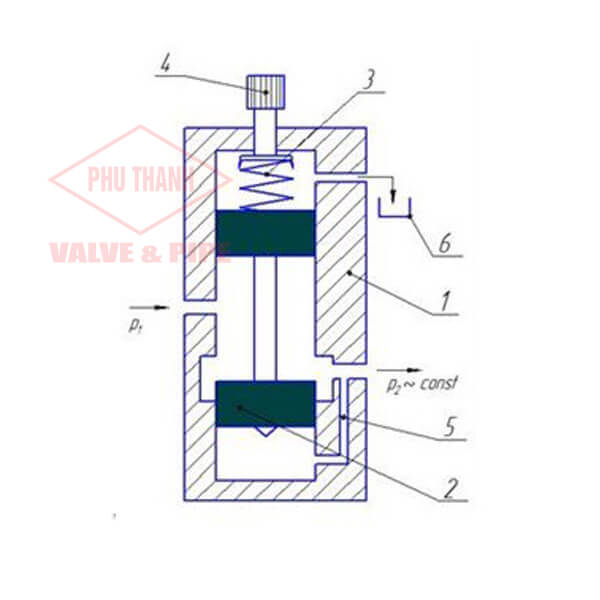
2.2.1. Van giảm áp tác động trực tiếp

Ký hiệu các bộ phận:
2. Phần tử điều khiển
3. Lò xo
4. Vít xoay điều chỉnh
5. Rãnh nối
6. Thùng chứa
Khi ở vị trí ban đầu, van mở hoàn toàn, độ rộng ở cửa ra được thiết lập bàng vít xoay điều chỉnh (4). Tác dụng của van khi này là giữ cho giá trị áp suất ở cửa ra (P2) không thay đổi.
Giả sử vì một lý do nào đó trong hệ thống làm (P2) tăng lên. Khi đó áp suất của khoang chứa nối với cửa ra của van giảm áp bằng rãnh nối (5) cũng tăng lên theo, đẩy Phần tử điều khiển (2) đi lên trên, kết quả làm giảm tiết diện của cửa thoát => từ đó làm giảm (P2).
Trong trường hợp áp suất (P2) giảm thì Phần tử điều khiển (2) đi xuống ép vào lò xo (3) làm tăng tiết diện cửa thoát từ đó kéo theo tăng (P2). Như vậy quá trình này làm cho áp suất (P2) gần như không thay đổi.
2.2.2. Van giảm áp tác động gián tiếp

2. Lò xo áp lực
3. Vít điều khiển lò xo áp lực
4. Lò xo áp lực điều khiển từ vít điều khiển.
5. BI trượt bộ phận điều khiển phụ
6. Khoang chứa trên
7. Khoang chứa giữa
8. Khoang chứa dưới
9. Rãnh nối
10. Khoang chứa thông với đầu vào P1.
11. Khoang chứa thông với đầu vào P2.
Khi bắt đầu Lò xo (4) thiết lập một áp suất lớn hơn so với áp suất cửa vào của van giảm áp (P1), khi đó ống trượt (1) ở vị trí ban đầu. Trong trường hợp khoang 6, 7, 8 có cũng áp suất như nhau và bằng (P1) khoang 10 nối với khoang 11, khi đó chất lỏng chảy tự do qua van (tính chất giảm áp – điều áp không được thể hiện).
Khi thiết lập cho lò xo (4) một giá trị áp suất (P2) > (P1) van phụ dạng bị trượt sẽ mở và chất lỏng từ khoang (6) thoát ra thùng chứa một lượng nhỏ. Nhờ đó dòng chảy qua rãnh nối (9) được tạo thành, cùng với nó trở lực thủy lực bị mất đi, cân bằng áp suất.
Kết quả là áp suất ở khoang (6) giảm xuống và ống trượt điều khiển (1) bị nâng lên, làm giảm tiết diện thông nhau của khoang (10) và (11). Vì thể mà áp suất trong khoang 11, khoang (8), khoang (7) giảm xuống, tác động vào ống trượt làm tăng tiết diện thông nhau giữa khoang (10) và khoang (11).
Quá trình đó lặp đi lặp lại, làm cho ống trượt (1) thực hiện dao động xung quanh vị trí được thiết lập. Mọi sự thay đổi của áp suất cửa vào (P1) hoặc cửa ra (P2) của van đều kéo theo sự di chuyển của ống trượt. Từ đó ở cửa ra áp suất luôn được giữ ở mức cố định.
Đối với dạng van giảm áp tác động gián tiếp khoang (7) là một rãnh hép, nối khoang với cửa ra có vai trò như một thiết bị chống rung, giảm dao động.
3. Tầm quan trọng của van giảm áp
Nhìn vào các hệ thống cấp nước của những tòa nhà cao tầng, chung cư. Bạn sẽ thấy ngay được tầm quan trọng của loại van này.
Các tòa nhà đều lắp đặt máy bơm, bơm nước lên bể chứa ở tầng cao nhất. Rồi từ bể này mới phân ra các ống, nhanh cho các tầng, các căn hộ. Áp lực nước từ trên cao sẽ giúp các thiết bị trong các căn hộ như máy lọc nước, máy giặt, bình nóng lạnh…có thể sử dụng tốt và hiệu quả.

Tuy nhiên, nếu bể chứa nước ở quá cao thì áp lực nước xuống tới các căn hộ là rất lớn (có thể gây nổ ống dẫn nước, phá hỏng các thiết bị trong gia đình). Van giảm áp sẽ được lắp đặt ở mỗi nhánh nước của từng tầng, từng hộ gia đình và điều chỉnh áp lực đầu ra về tiêu chuẩn để đảm bảo áp lực nước ở mức cho phép, cân bằng áp lực nước ở các tầng, các căn hộ.
Không chỉ được sử dụng ở hệ thống cấp nước sinh hoạt. Trên thực tế, van điều áp còn được ứng dụng nhiều và rất rộng rãi trong các ngành: xử lý nước sạch, các thiết bị dùng khí nén, dùng cho bếp gas…
4. Ứng dụng của van giảm áp trong công nghiệp
4.1 Ứng dụng trong máy nén khí
Máy nén khí được sử dụng rộng rãi trong các ngành công nghiệp để thực hiện việc thổi sạch hay chạy các công cụ hỗ trợ, bơm xe, các loại túi khí. Tác dụng chính của van giảm áp trong máy nén khí đó là đảm bảo cho khoang chứa áp lực không đạt tới mức nguy hiểm và cho phép người dùng có thể tự điều chỉnh áp lực một cách phù hợp.
4.2. Van giảm áp ứng dụng trong thiết bị thủy lực
Ứng dụng của van giảm áp trong các thiết bị thủy lực được dùng trong các hệ thống xử lý nước trong công nghiệp, hệ thống truyền dẫn nước, nhiên liệu trong tàu thủy, các hệ thống ống dẫn dầu…
Van giảm áp có vai trò đảm bảo áp suất ở mức cho phép, giảm thiểu tối đa các sự cố có thể xảy ra do áp lực nước hoặc khí cao hơn mức cho phép, đồng thời giúp cho hệ thống được cân bằng áp suất trong mức an toàn.
4.3. Ứng dụng trong ngành chế biến thực phẩm
Hiện nay, tất cả các nồi áp suất đều có một van điều áp cũng như một van xả áp hoạt động như một cơ chế an toàn để ngăn chặn sự chênh lệch áp suất quá lớn, giúp duy trì nhiệt độ và áp suất cao để làm chín nhanh thức ăn.
4.4. Các ứng dụng khác của van giảm áp
Ngoài một số ứng dụng thực tiễn trong cuộc sống như đã nêu ở trên, van giảm áp còn được ứng dụng rộng rãi trong các ngành công nghiệp hàng không, vũ trụ (cân bằng áp suất của boong tàu), trong hệ thống ống dẫn dầu khí, hóa dầu và khai thác khoáng sản.
5. Cách điều chỉnh Van giảm áp.

Tùy vào thiết kế mà van có thể tự vận hành dó áp suất khi lên quá cao sẽ kích đẩy cửa van để thoát ra ngoài hoặc sử dụng cảm biến đo áp suất để mở cửa van.
Với kiểu vận hành van điều áp bằng tay, người ta thường sử dụng đồng hồ đo áp suất hoặc hệ thống đèn báo hiệu để theo dõi và chủ động xả van khi cần thiết.
6. Địa chỉ bán van giảm áp, van điều áp uy tín tại Hà Nội
Công ty Cổ Phần Công nghệ Phú Thành là đơn vị nhập khẩu và phân phối dòng van giảm áp hàng đầu tại Việt Nam. Chúng tôi cung cấp đầy đủ các loại van công nghiệp chính hãng, nhập khẩu trực tiếp từ các nước Hàn Quốc, Đài Loan, Trung Quốc…có đầy đủ giấy tờ, chứng chỉ COCQ…Với hơn 13 năm kinh nghiệm phát triển ở lĩnh vực van công nghiệp, chúng tôi luôn cố gắng để có thể mang lại những sản phẩm chất lượng cùng dịch vụ tốt nhất và giá thành hợp lý nhất tới khách hàng.
Quý khách có nhu cầu báo giá và tư vấn về sản phẩm van giảm áp, van điều áp và các loại van khác, xin vui lòng liên hệ với Phú Thành qua:
* Kho Ngọc Hồi: Lô GD 5-6, KCN Ngọc Hồi, Thanh Trì, Hà Nội
* Kho Vạn Điểm: Tiểu khu Đường, thị trấn Phú Minh, Phú Xuyên, HN
* Website: https://phuthanh.net/
*Hotline: 0243.668.6336
* Email: phuthaco@gmail.com
Liên hệ ngay để có được giá niêm yết và cạnh tranh tốt nhất hiện nay!