1, Van xả tràn là gì?
Van xả tràn (Deluge valve) cũng giống như van an toàn, là một thiết bị thủy lực có chức năng điều khiển áp suất đầu vào. Nó là một loại van tự động thường được sử dụng trong hệ thống nước, đặc biệt là phòng cháy chữa cháy. Khi có đám cháy, đầu cảm ứng sẽ truyền tín hiệu đến, van sẽ tự động nhận tín hiệu và xả nước cấp cho toàn bộ các đầu phun đã mở sẵn.

Về mặt nguyên lý hoạt động, van xả tràn không khác gì van an toàn nhưng cấu trúc lại thay đổi. Thay vì ở trạng thái đóng và chỉ mở khi áp suất tại nhánh lắp van đặt áp suất định mức như van an toàn, Van xả tràn lại luôn ở trạng thái mở, liên tục rót chất lỏng về thùng chứa để đảm bảo áp suất tại đầu vào của van là không đổi.
Van tràn là thiết bị bắt buộc đối với mạch thủy lực điều khiển bằng van tiết lưu, thường được lắp song song với máy bơm để đảm bảo áp suất của đầu ra máy bơm luôn không đổi.
2, Cấu trúc, chức năng
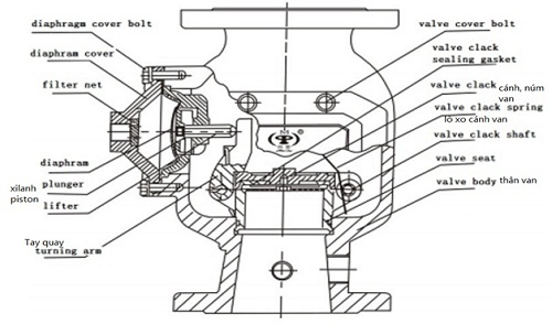
Van gồm: thân van, đế van, cánh van, tay quay, lọc, …

Khi hệ thống trong trạng thái nghỉ, khoang màng (phía thân dưới), do được nối với nguồn nước nên sẽ chứa đầy nước. Áp lực nước sẽ tác động lên xilanh, piston, tay quay, giúp khoá chặt cánh van và gioăng. Khi xảy ra cháy, đầu phun mở. Áp lực nước trong khoang màng giảm, làm giảm áp lực tác động lên xilanh, piston và tay quay. Hệ thống cung cấp nước mở cánh van và cung cấp nước cho đầu phun dập tắt đám cháy.
Cấu trúc van:

Có hai cách để van xả tràn gửi tín hiệu:
– Phương pháp cơ học: Thông qua sự vận động của dòng chảy, tác động tay quay làm kêu chuông báo cháy.
– Phương pháp điện học: Thông qua áp lực nước và dòng chảy kích hoạt công tắc áp lực hoặc công tắc dòng chảy, gửi tín hiệu làm kêu chuông điện.
3., Lắp đặt
– Làm sạch đường ống trước khi lắp đặt van.
– Lắp van xả tràn thẳng đứng, tại nơi có nhiệt độ nước vừa phải, không bị đóng băng. Thường là 1m trên mặt đất, cách tường 1,2m. Mặt đất phải được trang bị hệ thống thoát nước.
– Chuông báo phải được đặt ở nơi thoáng đãng.
Nguồn nước nối tới khoang màng nên được kết nối với đường ống chính (trước van cửa).
* Kiểm tra nguồn nước
– Đóng các van điều khiển trên đường ống van xả và van điều khiển trong hệ thống.
– Từ từ mở van điều khiển trên hệ thống cung cấp nước.
– Khi công tắc áp lực ổn định, mở van cửa cung cấp nước cho van xả tràn. Khi đồng hồ đo áp và nguồn cung cấp nước ổn định, nước không bị rò gỉ và chuông không kêu thì gioăng van xả tràn không vấn đề gì và van hoạt động bình thường.